会员服务
  首页 | 最新采购 | 现货热卖 | IC库存 | 非IC库存 | 应用资料&程序库 | 交流区 | 供应商 | 生产商 | 技术资料
应用资料:  
您现在的位置:首页 >  技术资料   上载库存  

小芯片大用处巧做妙用声光集成电路10例

  顾名思义,声光集成电路是一种既能够产生声音(音乐或模拟声响),又可以驱动发光器件的专用电路。它也属于音乐集成电路之列。声光集成电路可直接推动压电蜂鸣器(或扬声器)和发光二极管(或低压小氖灯),产生多种多样声光效果。它有声光同步工作(灯光随音乐节奏一起闪亮)和声光独立工作两种模式。本文介绍声光集成电路的应用实例。同属于声光集成电路还有具有简单编程能力的音乐彩灯控制电路,它电路复杂,功能齐全,自成系列,笔者将另作专题介绍。
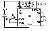
  1.闪闪小红星声光集成电路按曲名和闪灯数目分为1声1闪、1声2闪、1声4闪、1声7闪、1声13闪和4声2闪、4声5闪、8声5闪等品种。本例制作以1声7闪集成电路为核心,具体电路如图1所示。D1~D5选用直径为3毫米的高亮度红色发光二极管,分别安装在塑料小五角星的5个角上(其余2个触发端空着不接),接不接蜂鸣器B视实际需要而定。当电源开关S接通后,IC就一直工作,L1~L5端依次输出脉冲信号,触发D1~D5轮流闪烁发亮。开关S是用小五星背面的金属别针巧制而成的。佩带时将别针扣上,开关S接通,使五角星闪闪发光,格外引人注目。该电路耗电极省,可由2枚G13型钮扣电池供电。D1~D5还可选用绿色、橙色、黄色或白色发光二极管。该电路还可广泛用于各种闪光徽章、标志牌、产品展示牌以及各种图案的装饰点缀。

52-1.gif (1867 bytes)
图1


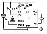
  2.声光电子转盘声光电子转盘的电原理图如图2所示。IC是用于抽奖品、碰运气等电子游戏玩具或装置(如电视台用的大型电子转盘)中的专用集成电路,它可驱动13只发光二极管和一只蜂鸣器同时工作。当按下SB键后,伴随着嗒嗒的声音,D1~D13依次点亮,并循环数轮,最后停在某一个亮灯位置,并自动播放一首轻快的乐曲,以示祝贺。D1~D13可采用环形排列,亦可横竖一字形排列,在发光二极管旁边绘制各种奖品图案。当发光二极管亮点停留在某种奖品上时游戏者即可获得该奖品。图2所示电路的灯熄灭方式有10秒钟自动断电熄灭和手动断电熄灭两种模式可供选择。

52-2.gif (3459 bytes)
图2


  3.闪光球鞋闪光球鞋的电原理图如图3所示。IC是1声2闪集成电路。只要按一下SB,发光二极管D1、D2就交替闪亮。SB是一个特制的简易振动开关,其定片是一截长约6mm、直径为1mm的裸铜导体,动片是一段长约8mm的柔软铜质细弹簧。轻微振动就可使SB瞬间闭合,触发D1、D2闪烁发光。制作时将图3所示电路连同钮扣电池及发光二极管焊接安装在一块直径18mm的圆形电路板上,然后用锋利刀片把球鞋后跟部位切开,中间挖空刚好能放进图3所示电路板,发光二极管端头裸露在鞋后跟侧面,最后用少许万能胶或环氧树脂胶将鞋跟切开部位粘牢。一双经自己动手制做的闪光球鞋就这样诞生了。

52-3.gif (1691 bytes)
图3


  4.会眨眼能唱歌的不倒翁桌子上摆放着一尊笑容可掬的不倒翁,轻轻推它一下,它就摇头晃脑地唱着歌谣,两只眼睛还闪闪发亮,十分逗人喜欢。图4是这种不倒翁的电原理图,IC选用1声2闪集成电路,工作原理与图3相同。SB为简易振动开关,定片是直径为10mm的圆形铜箔,动片是一根细软的小弹簧,它一头固定在定片的圆心上(定片圆心的铜箔应挖掉),另一头焊个小铜球。当晃动不倒翁时,由于重力和惯性的作用,动片会撞击定片,相当于SB瞬间闭合一下,IC工作,经VT推动扬声器B发声,D1、D2轮番闪亮。这就出现了本节开头描绘的情形。

52-4.gif (1840 bytes)
图4


  5.声光电子门铃声光电子门铃是为家中耳背(听力不好)的老人或聋人特别设计的一款新型电子门铃。图5是声光电子门铃电路原理图。IC有2路输出信号:OUT1经过三极管VT1放大后推动扬声器B发出音乐声;OUT2通过VT2和电阻R2触发可控硅VS导通工作,带动彩灯串闪亮。当来访者按动门铃按钮时,彩灯伴随着音乐声同步闪烁。这种彩灯音乐门铃,同样适合普通家庭或办公室等场合使用,特别是逢年过节,更可增添节日气氛。

53-1.gif (3013 bytes)
图5


  6.闪光电子陀螺陀螺是一种从古代一直流传到今天的小玩艺。闪光电子陀螺则是现代科技与传统相结合的新颖电子玩具,它既保留了陀螺古朴的内涵,又体现了现代电子科技的诱人魅力,图6是电子陀螺的电路图。IC是一种非常特殊的声光集成电路,它直接驱动5只发光二极管轮番闪亮,每只发光二极管闪亮的时间长短、闪亮的先后顺序,都没有规律,也可以说是完全随机的。当电子陀螺转动时,振动开关SB由于惯性作用会自动闭合,触发IC工作,D1~D5逐一轮番闪亮,展现出一幅幅不同的图案或字符。该IC还可用于制作魔幻指挥棒等新奇产品,如国外用它生产的一种警察用的夜间指挥棒,当用力一挥,指挥棒就显示“STOP”字样,非常有趣。

53-2.gif (1977 bytes)
图6


  7.声光音乐贺卡图7是声光音乐贺卡的电原理图。IC为1声4闪集成电路,声光驱动采用各自独立的工作模式。电阻R和电容C分别调整声光电路的工作频率,从而达到改变声光节奏快慢的效果。为了方便生产,通常制造商是将图7电路的声光集成电路、开关金属片、钮扣电池夹等元器件直接封装在一块印刷电路基板上,再将基板粘在一张规格约为82mm×15mm的单面不干胶纸上,通常称之为音乐电子机心(见图8)。制作时先选择一张三折精美纸卡(或自制),将音乐电子机心虚线部分与贺卡中间折合线对准贴牢。打开贺卡时,塑料片由水平方向拉出,开关S被接通;合上时,塑料片被推入,将S断开。最后检查时,只要发声和闪灯都正常,这张精致的声光贺卡就算制作成功了。

53-3.gif (1907 bytes)
图7

53-4.gif (2507 bytes)
图8


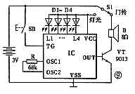
  8.具有显示功能的电子门铃在高级宾馆或商务写字楼的客房门口,都安装着一个“请勿打扰”的小灯箱,显得非常文明雅致。那么,在家里也可以采用声光集成电路,制做一种造价低廉的具有显示功能的门铃。图9是这种电子门铃的电原理图。当选择开关S1打向“门铃”处,按一下门铃按钮SB,门铃奏响音乐。当S1打向“灯光”处,扬声器B被断开,按下SB,D1~D4点亮,指示牌显示出“正在休息,请勿打扰”的字样。发光二极管指示牌可与门铃按钮做成一体,使用起来一目了然,十分方便。

53-5.gif (2633 bytes)
图9


  9.4路声控LED彩灯链图10是4路声控LED彩灯链的电原理图。电路中由话筒MIC、微调电阻RV、电阻R2和R3、电容C1和C2等组成声控开关。话筒将接收到的声波信号变成电信号,电信号由VT1放大后经C2耦合到IC的触发端TG。IC为1声4闪集成电路,L1~L4输出端的信号经三极管VT2~VT5,分别控制一组发光二极管。D1~D12可选择红色、黄色、橙色、绿色、白色高亮度发光二极管,然后将这些发光二极管装点在模型圣诞树丛中。平时,该模型放置在电视机旁,当收看电视节目时,圣诞树随着电视机声音强弱变化而闪烁发亮,别有一番情趣。

54-1.gif (4630 bytes)
图10


  10.玩具型照明/电扇两用电路图11是该电路的原理图。IC有两路输出信号:一路音频信号由VT1放大后,直接驱动1.5V直流小电机DZ工作(而不是推动扬声器),带动塑料风叶,成为直流小电扇;另一路信号经由VT2触发D1、D2发光,成为LED小照明灯。该电路的奥妙之处在于将IC的外部振荡电阻改换成一只光敏电阻CDS。改变该电阻的电阻值大小,可调整音乐输出的节奏快慢。改变光敏电阻的光照度,可使小电扇转得时快时慢、小电灯忽明忽暗,十分神奇。该电路融趣味性和实用性为一体,孩子们经过亲自动手制作,在玩中学、学中玩的潜移默化中,逐渐感悟电子科学的真谛。

54-2.gif (2585 bytes)
图11




关于我们 | 会员服务 | 广告服务 | 支付方式 | 联系我们 | 友情链接

会员服务热线:

深圳矽通科技版权所有 © Copyright 2005-2007, ic-cn.com.cn All Right Reserved.  粤ICP备07006430号
深  圳13410210660             QQ : 317143513   点击这里与电子元件采购网联系
客服联系: MSN:CaiZH01@hotmail.com       E-mail:info@ic-cn.com.cn